Винт с цилиндрической головкой невыпадающий ГОСТ 10336-80
Узнать стоимость
Компания "Метиз-Торг" предлагает купить Вам любые размеры винта с цилиндрической головкой невыпадающего ГОСТ 10336-80 по цене производителя с доставкой.
Винт с цилиндрической головкой невыпадающий
- Материал: Ст.20, Ст.35, Ст.45, Ст.40х и др.
- Покрытие: без покрытия, оцинковка, с термодиффузионным покрытием
- Диаметр: М12
- Вид головки: цилиндрический
Описание и применение
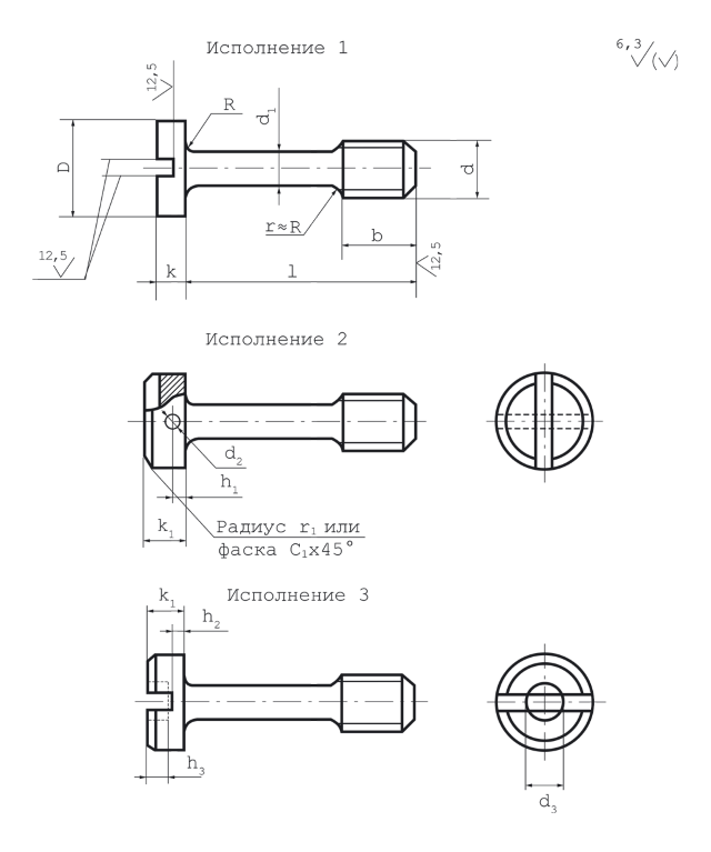
Винт - это стержень в виде цилиндра, на который нанесена резьба с одной стороны и цилиндрическая головка с прямым шлицем с другой. Винты имеют особую конструкцию металлического стержня. Резьба на стержне винта имеет больший диаметр в отличии от гладкой части, что позволяет вращаться винту не давая выскользнуть. Поэтому винты и получили название "невыпадающие". Используются для соединения элементов конструкций деталей и приборов. Головка винта обладает высокой износостойкостью, позволяющей развинчивать винты многократное количество раз во время эксплуатации. Винт с цилиндрической головкой невыпадающий класса точности В выполняем из любой марки стали в 3 исполнениях. Изготавливаем винты разной длины, а также не стандартные винты по индивидуальным чертежам заказчика.
Чертеж винта с цилиндрической головкой невыпадающий

Мы гарантируем:
- Качество продукции
- Исполнение в срок
- Соответствие ГОСТ
- Изготовление любого нужного количества
- Работу с любым городом, районом, областью России
|
|
Бесплатная доставка по Тюмени При заказе продукции от 4,5 тонн доставка бесплатная и по Тюменской области. Также мы бесплатно доставляем продукцию до любой транспортной компании. |
|
Вся продукция сопровождается сертификатами на металл и техническим паспортом на изделия. |
Мы - производители, поэтому можем обеспечить нашим клиентам самые низкие цены.
Мы используем современное оборудование, позволяющее нам исполнять самые нестандартные заказы. Мы не боимся изготовления сложных изделий, и всегда производим нужное количество в нужные сроки. Наша команда профессионалов справится с заданием любой сложности!
