Закладные изделия по серии 1.400-15 МН 139
Компания "Метиз-Торг" предлагает Вам купить закладное изделие МН 139 по цене производителя. Закладные детали являются унифицированными железобетонными конструкциями, предназначенными для крепления технологических коммуникаций и устройств на вертикальных частях бетонных сооружений. Производим закладные изделия в соответствии с нормативно-технической документацией на изделия. Учитываем пожелания заказчика при заказе в выборе марки стали, покрытия, маркировки. Производство осуществляется из арматурных стержней и листового и профильного прокатов. Закладные изделия бывают с перпендикулярным, наклонным, параллельным или смешанным расположением анкерных стержней.
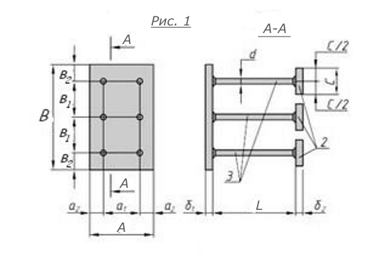
Характеристики:
| Параметр | Обозначение | Значение марки
МН 139-1 |
Значение марки МН 139-2 |
Значение марки МН 139-3 |
Значение марки МН 139-4 |
Значение марки МН 139-5 |
Значение марки МН 139-6 |
| Размер пластины, мм | А | 200 | 200 | 200 | 200 | 200 | 200 |
| Размер пластины, мм | В | 400 | 400 | 400 | 400 | 400 | 400 |
| Размер пластины, мм | б | 6 | 6 | 6 | 6 | 6 | 6 |
| Привязки анкеров, мм | а1 | 120 | 120 | 120 | 120 | 120 | 120 |
| Привязки анкеров, мм | а2 | 40 | 40 | 40 | 40 | 40 | 40 |
| Привязки анкеров, мм | в1 | 160 | 160 | 160 | 160 | 160 | 160 |
| Привязки анкеров, мм | в2 | 40 | 40 | 40 | 40 | 40 | 40 |
| Количество и диаметр анкеров | 6ф8AIII | 6ф8AIII | 6ф8AIII | 6ф8AIII | 6ф8AIII | 6ф8AIII | |
| Длина анкеров, мм | L | 300 | 250 | 200 | 300 | 250 | 80 |
|
Выборка стали на 1 изделие (профильная сталь), кг |
-б=6 | 3.8 | 3.8 | 3.8 | 3.8 | 3.8 | 3.8 |
|
Размеры пластин усиления и кол-во, мм |
40х40х8 (шт.6) | 40х40х8 (шт.6) | 40х40х8 (шт.6) | ||||
|
Выборка стали на 1 изделие (арм. AIII ф8), кг |
0.7 | 0.6 | 0.5 | 0.7 | 0.6 | 0.2 | |
|
Рисунок на чертеже |
1 | 1 | 1 | 1 | 1 | 1 | |
| Итого, кг | 4.5 | 4.4 | 4.3 | 5.1 | 5.0 | 4.6 | |
| Обозначение изделия | 1.400-15.B1.150-36 | 1.400-15.B1.150-37 | 1.400-15.B1.150-38 | 1.400-15.B1.150-39 | 1.400-15.B1.150-40 | 1.400-15.B1.150-41 |

Мы гарантируем:
- Качество продукции
- Исполнение в срок
- Соответствие ГОСТ
- Изготовление любого нужного количества
- Работу с любым городом, районом, областью России
|
|
Бесплатная доставка по Тюмени При заказе продукции от 4,5 тонн доставка бесплатная и по Тюменской области. Также мы бесплатно доставляем продукцию до любой транспортной компании. |
|
Вся продукция сопровождается сертификатами на металл и техническим паспортом на изделия. |
Мы - производители, поэтому можем обеспечить нашим клиентам самые низкие цены.
Мы используем современное оборудование, позволяющее нам исполнять самые нестандартные заказы. Мы не боимся изготовления сложных изделий, и всегда производим нужное количество в нужные сроки. Наша команда профессионалов справится с заданием любой сложности!
